The Yamaha VSS200 voice sampler is a very easy bent. A keyboard that gives you a lot of pleasure. Even unbent it has pretty useful features and internal effects. Despite of this, whenever you can get your hands on one of them, go for it, open it and bent it, thats what they are made for. There are a lot of hints and instructions out in the web, describing the procedure of bending the VSS200.

Look for the sample memory chip, that is located close to the big square CPU. I took all the pins but one, that shares common connection with an other and connected them to a patchbay.

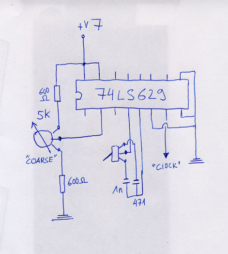
I also wanted to be able to tune the VSS200 in a much wider range than is possible with the given parameters. Therefore I used an oscillator. You can take a 74LS629 or similar to do so. I learned about this way of tuning a mikroprocessor by Sam Samshuijzen. He posted a diagram of a circuit in the forum of electro-music.com.

The frequency output of the oscillator is then connected to the point on the board where the resonating coil has been removed. I use a seperate +6 Volt power supply for this circuit.

sample with internal effects
pitchexamples, m, h, l
sample gets treated
sample gets scattered
B-points & Clockinput
74LS629 Oscillator