![]() |
![]() |
![]() |
![]() |
![]() |
![]() |
![]() |
![]() |
![]() |
|
This is the third sequencer I built. A dual analog 10 step sequencer. Two rows of faders and one row of switches to mute a step. Two Control Voltage outputs and one Gate output. The reset is made by a Dial.
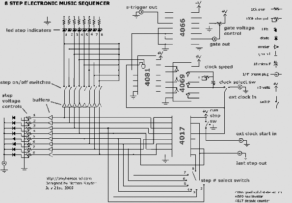
I used a 4017 counter. A 40106 generates the internal clock signal. I can choose between internal or external clock signal. For a clean step seperated Gate I used a 4081 Quad 2-Input OR/AND Gate. See the schematic of Nathan Snyder: |






![]() |
![]() |
![]() |
![]() |
![]() |
![]() |